Product

Tube Fittings

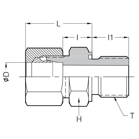
HOM-GED


MALE CONNECTOR (BSPP) WITH ED-RING
HOM-GED

 


사업자등록번호   504-81-39137      

본사주소   대구광역시 북구 검단북로 2-21          검단공장   대구광역시 북구 검단로27길 75          구지공장   대구광역시 달성군 구지면 국가산단대로39길 135 

대표전화   053)383-2132~4          팩스(사무용)   053)383-2135         영업(주문)팩스   053)381-8572, 053)383-2199 

회장   이정상      대표이사   이도윤